null

Hardware & Attachments

Holster hardware and attachments

10 of 10 Items
  • Belt Paddle attachment

    Belt Paddle attachment

    *This is for the Mount only, no holster is included with this item, any holster pictured is used as a reference for mounting and setup*   The paddle clip is made with black nylon 66. This paddle is drilled for 1" center to...

    $6.95
  • Brass Thumb Screw Brass Thumb Screw Brass Thumb Screw

    Brass Thumb Screw

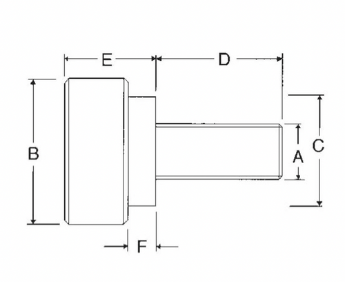
    Used to quickly adjust retention on OWB holsters typically used in competition settings. Sold individually. Machined from brass with a diamond knurl. 8-32 Thread B - 1/2" C - 3/8" D - 3/8" E - 5/16" F - 3/32"   Includes : (1) brass thumb...

    $6.69
  • Combat Loop Belt Attachment

    Combat Loop Belt Attachment

    The Combat loop is an upgrade from the paddle, it's a very secure mount that maintains the ability to remove the holster from your belt without removing your belt. This attaches directly to our Modular OWB holster series. This attachment works like a...

    $11.95
  • Concealment Wing with Hardware Concealment Wing with Hardware Concealment Wing with Hardware

    Concealment Wing with Hardware

    The Concealment wing is used to leverage the grip of the pistol close to the body, while still allowing for a clean, repeatable draw.  The mounting holes on the Wing are 1.5cm center to center Includes two 0.75" Screws, and two threaded...

    $10.00
  • DCC Monoblock metal clip

    DCC Monoblock metal clip

    -Sold Individually - Fits belts up to 1.5" wide -Mounting Hardware included -Horizontal slotted mounting holes will work with spacing that is .860" - 1.15" on center.

    $9.69
  • Drop Offset Mount

    Drop Offset Mount

    The Drop Offset Mount is an upgrade primarily used for duty holsters and competitive shooters. It's a very secure mount that drops the holster ride height lower by approximately 2" for a more natural draw position. This attaches directly to our Modular...

    $29.95
  • Hardware pack

    Hardware pack

    Spare hardware for your IWB and OWB Holsters! Easily replace missing or stripped hardware, or keep them on hand for a spare!   Included : (3) 1/8" truss head screws  (3) 1/8" Rubber spacers (used for mounting attachments) (3) 3/8" truss...

    $4.69
  • Threadlocker - Vibratite VC-3

    Threadlocker - Vibratite VC-3

    Recommended for every screw on your holster.  Includes (1) packet of vibratite VC3 1ml.   Vibra-TITE VC-3 Threadmate is a powerful locking and sealing coating for threadedfasteners that works on the principle of "friction through viscosity."...

    $3.00
  • Tuckable Belt Clips

    Tuckable Belt Clips

    Offered for 1.5" and 1.75" belts, these struts are injection molded and are designed to easily snap over even thick gun belts.  They hold very secure on the belt, arguably the best overhook design on the market, yet they easily...

    $15.00
10 of 10 Items